TQ-H6N柱式称重传感器
编号:10131
查看:
发布:2022-10-11
TQ-H6N柱式称重传感器为弹性体结构,具有极好的拉压对称性。高精度、高可靠性;密封结构,稳定性好;抗冲击、抗过载、抗扭能力高。 TQ-H6N柱式称重传感器适用于电子配料秤、地中衡、料斗秤等各种称重设备。
编号:10131
查看:
发布:2022-10-11
TQ-H6N柱式称重传感器为弹性体结构,具有极好的拉压对称性。高精度、高可靠性;密封结构,稳定性好;抗冲击、抗过载、抗扭能力高。 TQ-H6N柱式称重传感器适用于电子配料秤、地中衡、料斗秤等各种称重设备。
产品特点:TQ-H6N柱式称重传感器为弹性体结构,具有极好的拉压对称性。高精度、高可靠性;密封结构,稳定性好;抗冲击、抗过载、抗扭能力高。
产品用途:TQ-H6N柱式称重传感器适用于电子配料秤、地中衡、料斗秤等各种称重设备。
量程:1.5kN(150kg)、2kN(200kg)、3kN(300kg)、5kN(500kg)、10kN(1t)、20kN(2t)、30kN(3t)、60kN(6t)、100kN(10t)、150kN(15t)、200kN(20t)、300kN(30t)、500kN(50t)、600kN(60t)、1000kN(100t)、1500kN(150t)、2000kN(200t)
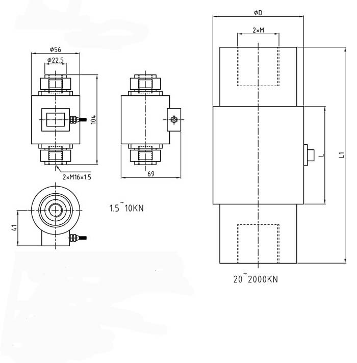
技术参数及外形尺寸:
序号 | 产品技术参数 | |
1 | 额定载荷 | 0.01-200t |
2 | 综合精度 | ≤0.05%(<100t) ≤0.1(≥100t) |
3 | 灵敏度 | 1.5-2.5mV/V |
4 | 零点输出 | ±1% |
5 | 零点温度影响 | ±0.3%F.S/10℃ |
6 | 输出温度影响 | ±0.3%F.S/10℃ |
7 | 输入阻抗 | 380±10Ω或750±15Ω |
8 | 输出阻抗 | 350±3Ω或700±5Ω |
9 | 绝缘阻抗 | ≥2000MΩ |
10 | 工作温度范围 | -20~65℃ |
11 | 安全过载 | 150%F.S |
12 | 接线方式 | 红……E+(输入正) 黑……E-(输入负) 绿……S+(输出正) 白……S-(输出负) |

型号 | 量程(kN) | 量程(t) | D | L | L1 | M |
TQ-H6N | 20-30 | 2-3 | 64 | 72 | 124 | M24×3 |
40-60 | 4-6 | 74 | 124 | 180 | M30×2 | |
100 | 10 | 86 | 84 | 160 | M36×3 | |
150-200 | 15-20 | 86 | 126 | 200 | M42×3 | |
300 | 30 | 98 | 132 | 230 | M48×3 | |
500 | 50 | 118 | 175 | 320 | M56×3 | |
600-1000 | 60-100 | 118 | 175 | 320 | M72×3 | |
1500-2000 | 150-200 | 165 | 200 | 400 | M90×6 |
图片与实物略有差异,以实物为准 / 济南泰钦保留随时更改、撤消产品型号、规格的权利,恕不另行通知