TQ-H2圆柱侧拉式称重传感器
编号:10128
查看:
发布:2020-07-30
TQ-H2圆柱侧拉式称重传感器具有精度高,安装简便,防潮性能好等特点。 TQ-H2圆柱侧拉式称重传感器适用于试验机等力量测量。
编号:10128
查看:
发布:2020-07-30
TQ-H2圆柱侧拉式称重传感器具有精度高,安装简便,防潮性能好等特点。 TQ-H2圆柱侧拉式称重传感器适用于试验机等力量测量。
产品特点:TQ-H2圆柱侧拉式称重传感器具有精度高,安装简便,防潮性能好等特点。
产品用途:TQ-H2圆柱侧拉式称重传感器适用于试验机等力量测量。
量程:50N(5kg)、100N(10kg)、200N(20kg)、500N(50kg)、1 kN(100kg)、2kN(200kg)
序号 | 产品技术参数 | |
1 | 额定载荷 | 5-200kg |
2 | 综合精度 | 0.05%F.S |
3 | 灵敏度 | 1.5-2.0mV/V |
4 | 零点输出 | ≤0.1%F.S |
5 | 输入阻抗 | 380±50Ω |
6 | 输出阻抗 | 351±3Ω |
7 | 绝缘阻抗 | ≥5000MΩ |
8 | 补偿温度范围 | -10~40℃ |
9 | 适用温度范围 | -30~70℃ |
10 | 安全过载 | 150%F.S |
11 | 极限载荷 | 300%F.S |
12 | 材质 | 合金钢 |
13 | 激励电压 | 10V(DC) |
14 | 密封等级 | IP67 |
15 | 接线方式 | 红……E+(输入正) 黑……E-(输入负) 绿……S+(输出正) 白……S-(输出负) |

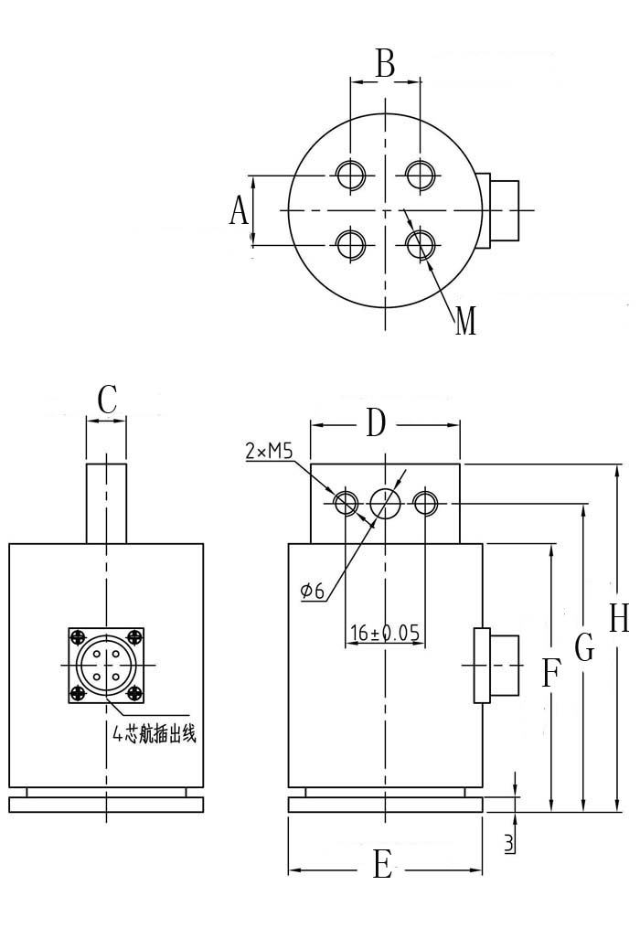
型号 | 量程(N) | A | B | C | ?D | ?E | F | G | H | M |
TQ-H2 | 50N-500N | 14 | 14 | 8 | ?30 | ?39 | 54 | 62 | 70 | 4×M6 |
1000N-2000N | 24 | 24 | 11.5 | ?40 | ?49 | 64 | 86 | 94 | 4×M8 |
图片与实物略有差异,以实物为准 / 济南泰钦保留随时更改、撤消产品型号、规格的权利,恕不另行通知