TQ-P1A压力传感器
编号:10250
查看:
发布:2020-08-17
TQ-P1A压力传感器采用特种不锈钢制造,耐酸碱腐蚀。TQ-P1A压力传感器广泛应用于液压机等行业测控领域。
编号:10250
查看:
发布:2020-08-17
TQ-P1A压力传感器采用特种不锈钢制造,耐酸碱腐蚀。TQ-P1A压力传感器广泛应用于液压机等行业测控领域。
产品特点:TQ-P1A压力传感器采用特种不锈钢制造,耐酸碱腐蚀。
产品用途:TQ-P1A压力传感器广泛应用于化工、冶金等行业测控领域。
量程: 30Mpa
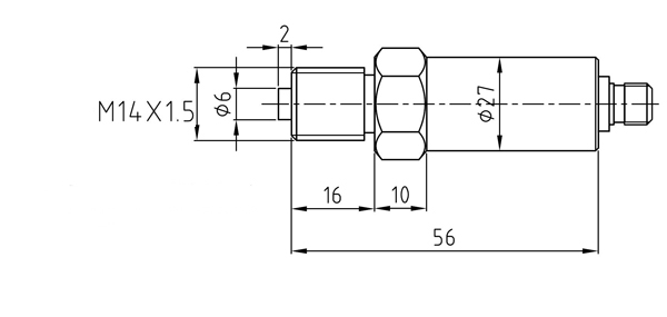
技术参数及外形尺寸:
序号 | 产品技术参数 | |
1 | 额定载荷 | 30Mpa |
2 | 综合精度 | 0.05%F.S |
3 | 灵敏度 | 1.0-2.0mV/V |
4 | 蠕变 | ±0.05%F.S/30min |
5 | 零点输出 | ±1%F.S |
6 | 零点温度影响 | ±0.05%F.S/10℃ |
7 | 输出温度影响 | ±0.05%F.S/10℃ |
8 | 阻抗 | 380Ω/1000Ω |
9 | 绝缘阻抗 | >2000MΩ |
10 | 工作温度 | -10~65℃ |
11 | 安全过载 | 150%F.S |
12 | 材质 | 合金钢 |
13 | 传感器接线方式 | 红……E+(输入正) 黑……E-(输入负) 绿……S+(输出正) 白……S-(输出负) |
14 | 变送器接线方式 | 红:电源 蓝:公共端 白:输出 |

图片与实物略有差异,以实物为准 / 济南泰钦保留随时更改、撤消产品型号、规格的权利,恕不另行通知