风韵论坛_杭州各区桑拿419论坛_老九品茶楼凤楼论坛官网


CH-QS 桥式称重传感器

编号:10449
查看:
发布:2022-05-20

CH-QS桥式称重传感器采用钢球、压头结构可自动复位和调心。高精度、高可靠性、稳定性好;安装方便、互换性好。有良好的防潮密封,适应恶劣工作环境。可用于地磅、汽车衡等重量、力值测量的各个领域。 


拨打电话
Call
在线咨询
Service


产品名称:CH-QS 桥式称重传感器


产品特点:CH-QS桥式称重传感器采用钢球、压头结构可自动复位和调心。高精度、高可靠性、稳定性好;安装方便、互换性好。有良好的防潮密封,适应恶劣工作环境。可用于地磅、汽车衡等重量、力值测量的各个领域。


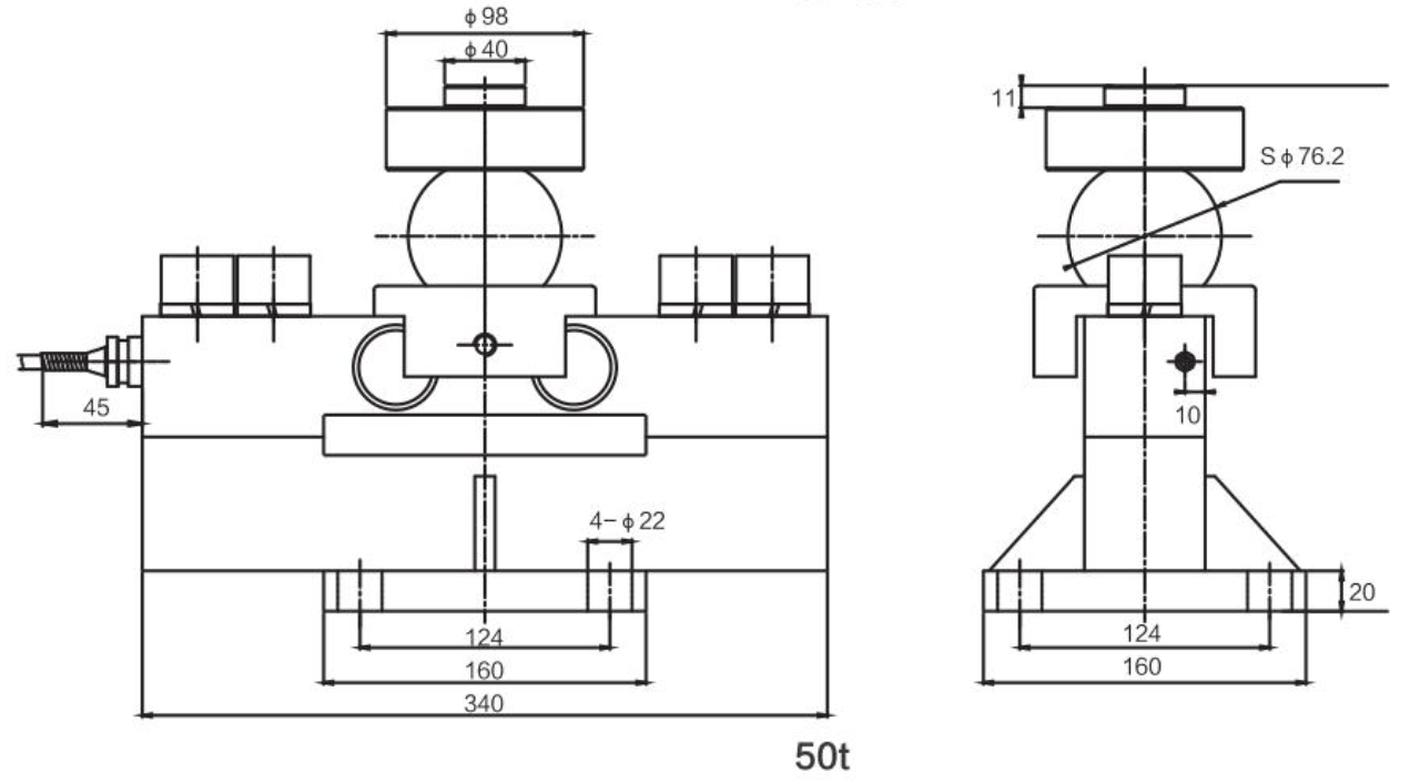
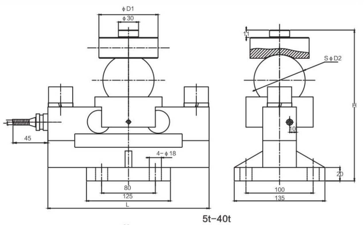
量程:100kN(10t)、200kN(20t)、300kN(30t)、400kN(40t)、500kN(50t)


外形尺寸:


量程(kN)

量程(t)

D1

D2

H

L

50

5

mm

68

50.8

168.8

224

100-300

10-30

mm

85-88

76.2

224.7

240

400

40

mm

88

76.2

230.7

240


技术参数:




技术参数




额定输出

2.0mV/V±0.1%

输入阻抗

780±10Ω

非线性

±1%F.S

输出阻抗

701±2Ω

滞后性

<±0.2%F.S

绝缘电阻

≥5000MΩ

重复性

<±0.05%F.S

允许激励电压

5~15V/DC

蠕变

<±0.2%F.S/30min

补偿温度范围

-10℃~+40℃

零点温度影响

<±0.02%/10℃

工作温度范围

-30℃~+70℃

输出温度影响

<±0.02%/10℃

安全过载

120%F.S

零点平衡

<±1%F.S

极限过载

150%F.S

接线方式

激励:+红 -黑

信号:+绿 -白        屏蔽:黄



主站蜘蛛池模板: 丰顺县| 开阳县| 伊宁市| 竹北市| 克什克腾旗| 南充市| 湖州市| 商城县| 石家庄市| 南涧| 定南县| 安远县| 肃南| 宜宾市| 焦作市| 武定县| 永德县| 英吉沙县| 乐平市| 辉南县| 伊金霍洛旗| 务川| 溆浦县| 秭归县| 彩票| 秦安县| 团风县| 习水县| 朝阳县| 沂水县| 宜昌市| 个旧市| 浦东新区| 温州市| 旌德县| 虹口区| 仁布县| 通化县| 馆陶县| 高州市| 墨玉县|