风韵论坛_杭州各区桑拿419论坛_老九品茶楼凤楼论坛官网


CH-KH轮辐式测力传感器

编号:10397
查看:
发布:2022-05-17

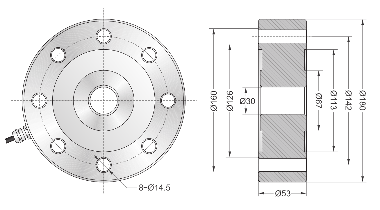
产品名称:CH-KH轮辐式测力传感器产品特点:CH-KH轮辐式测力传感器采用优质不锈钢材质,具有高精度,高稳定性,低外形,安装简便、快速等特点。适用于试验机。量程:300kN(30t)外形尺寸:技术参数:技术参数 


拨打电话
Call
在线咨询
Service


产品名称:CH-KH轮辐式测力传感器

产品特点:CH-KH轮辐式测力传感器采用优质不锈钢材质,具有高精度,高稳定性,低外形,安装简便、快速等特点。适用于试验机。


量程:300kN(30t)


外形尺寸:


技术参数:

技术参数




额定输出

3.0mV/V±0.003

输入阻抗

775±20Ω

非线性

±0.05%F.S

输出阻抗

700±5Ω

滞后性

<±0.05%F.S

绝缘电阻

≥5000MΩ

重复性

<±0.05%F.S

允许激励电压

5~15V/DC

蠕变

<±0.05%F.S/30min

补偿温度范围

-10℃~+40℃

零点温度影响

<±0.03%/10℃

工作温度范围

-30℃~+70℃

输出温度影响

<±0.03%/10℃

安全过载

150%F.S

零点平衡

<±1%F.S

极限过载

300%F.S

接线方式

激励:+红 -黑

信号:+绿 -白 屏蔽:黄粗





主站蜘蛛池模板: 蓝山县| 蚌埠市| 望都县| 靖州| 深水埗区| 阿巴嘎旗| 琼海市| 武安市| 柳林县| 穆棱市| 托克逊县| 襄汾县| 内丘县| 班戈县| 三原县| 新巴尔虎左旗| 沽源县| 河池市| 台北县| 达日县| 重庆市| 无锡市| 通州市| 辽阳市| 营口市| 邵阳县| 固安县| 淮滨县| 温泉县| 桓台县| 南澳县| 朝阳市| 上杭县| 克东县| 喀什市| 常熟市| 南漳县| 安吉县| 雷波县| 宝丰县| 天峨县|