产品名称:CH-LP1A 平行梁传感器
产品特点:CH-LP1A铝制平行梁称重传感器产品结构形式简单,使用方便。适用于计价秤,计数秤,天平秤等。
量程:3N(0.3kg)、5N(0.5kg)、10N(1kg)、20N(2kg)、30N(3kg)、50N(5kg)、100N(10kg)
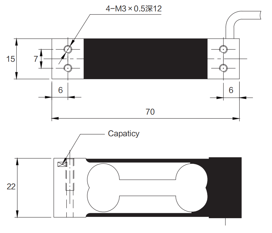
外形尺寸:

CH-P1A 技术参数 | |||
额定输出 | 1.0mV/V±10%; | 输入阻抗 | 410±15Ω |
非线性 | ±0.02%F.S | 输出阻抗 | 350±5Ω |
滞后性 | <±0.02%F.S | 绝缘电阻 | ≥5000MΩ |
重复性 | <±0.02%F.S | 允许激励电压 | 5~15V/DC |
蠕变 | <±0.02%F.S/30min | 补偿温度范围 | -10℃~+40℃ |
零点温度影响 | <±0.02%/10℃ | 工作温度范围 | -20℃~+60℃ |
输出温度影响 | <±0.03%/10℃ | 安全过载 | 150%F.S |
零点平衡 | <±1%F.S | 极限过载 | 200%F.S |
接线方式 | 激励:+红 -黑 信号:+绿 -白 屏蔽:黄 | ||
