风韵论坛_杭州各区桑拿419论坛_老九品茶楼凤楼论坛官网


CH-LP6单点式称重传感器

编号:10410
查看:
发布:2022-05-20

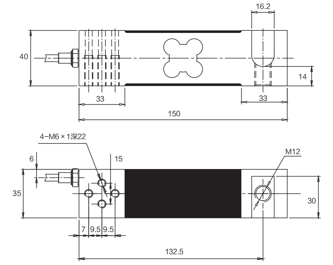
CH-LP6铝制单点式称重传感器为单点承载结构,产品结构形式简单,使用方便。适用于皮带秤等力量测量设备。量程:1kN(100kg)、2kN(200kg)、3kN(300kg)外形尺寸:CH-LP6 


拨打电话
Call
在线咨询
Service


产品名称:CH-LP6单点式称重传感器


产品特点:CH-LP6铝制单点式称重传感器为单点承载结构,产品结构形式简单,使用方便。适用于皮带秤等力量测量设备。


量程:1 kN(100kg)、2 kN(200kg)、3 kN(300kg)


外形尺寸:



CH-LP6 技术参数




额定输出

2.0mV/V±10%

输入阻抗

410±15Ω

非线性

±0.02%F.S

输出阻抗

350±5Ω

滞后性

<±0.02%F.S

绝缘电阻

≥5000MΩ

重复性

<±0.02%F.S

允许激励电压

5~15V/DC

蠕变

<±0.02%F.S/30min

补偿温度范围

-10℃~+40℃

零点温度影响

<±0.02%/10℃

工作温度范围

-30℃~+70℃

输出温度影响

<±0.02%/10℃

安全过载

150%F.S

零点平衡

<±1%F.S

极限过载

200%F.S

接线方式

激励:+红 -黑

信号:+绿 -白        屏蔽:黄




主站蜘蛛池模板: 马公市| 营口市| 夏河县| 台湾省| 泸溪县| 河池市| 黑山县| 西乌珠穆沁旗| 海林市| 阿克苏市| 镇雄县| 鲜城| 锡林浩特市| 翁牛特旗| 怀集县| 鞍山市| 汝阳县| 新营市| 和硕县| 江永县| 清苑县| 龙川县| 晋江市| 绩溪县| 台前县| 临江市| 五寨县| 房产| 获嘉县| 闻喜县| 隆安县| 桐城市| 陆川县| 略阳县| 常熟市| 辉县市| 中牟县| 鹤山市| 奉节县| 龙山县| 巨鹿县|