TQ-H10T柱式称重传感器
编号:10283
查看:
发布:2020-07-30
产品名称:TQ-H10T柱式称重传感器产品特点:TQ-H10T柱式称重传感器高稳定性,高可靠性。产品用途:TQ-H10T柱式称重传感器广泛适用于测力、称重及其他力值的测量与控制系统量程:1000kN(100t)、2000kN(200t)技术
编号:10283
查看:
发布:2020-07-30
产品名称:TQ-H10T柱式称重传感器产品特点:TQ-H10T柱式称重传感器高稳定性,高可靠性。产品用途:TQ-H10T柱式称重传感器广泛适用于测力、称重及其他力值的测量与控制系统量程:1000kN(100t)、2000kN(200t)技术
产品名称:TQ-H10T柱式称重传感器
产品特点:TQ-H10T柱式称重传感器高稳定性,高可靠性。
产品用途:TQ-H10T柱式称重传感器广泛适用于测力、称重及其他力值的测量与控制系统
量程:1000kN(100t)、2000kN(200t)
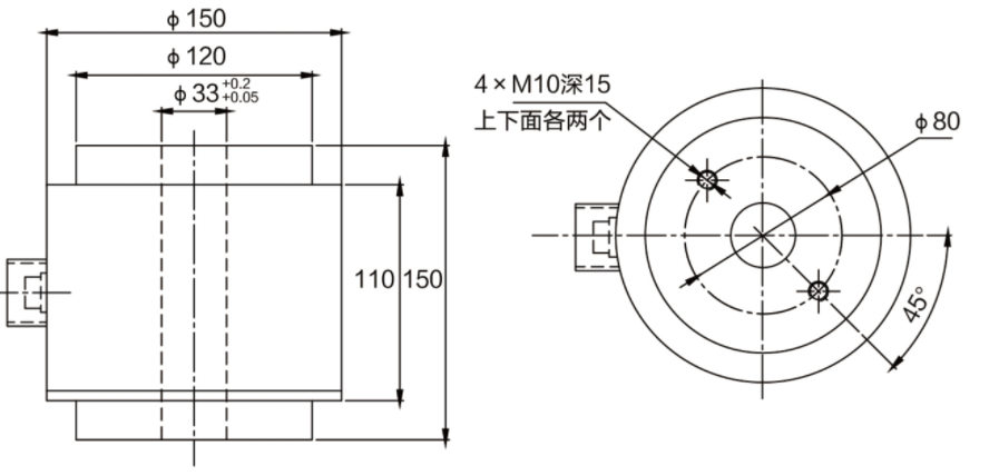
技术参数及外形尺寸:
序号 | 产品技术参数 | |
1 | 额定载荷 | 100t,200t |
2 | 综合精度 | 0.5%F.S |
3 | 灵敏度 | 1.5±0.02mV/V |
4 | 蠕变 | ±0.5%F.S/20min |
5 | 零点温度影响 | ±0.5%F.S/10℃ |
6 | 输出温度影响 | ±0.5%F.S/10℃ |
7 | 零点输出 | ±1%F.S |
8 | 输入阻抗 | 700±20Ω |
9 | 输出阻抗 | 706±2Ω |
10 | 绝缘阻抗 | ≥5000MΩ |
11 | 激励电压 | 10V(DC) |
12 | 工作温度范围 | -10~65℃ |
13 | 安全过载 | 120%F.S |
14 | 材质 | 合金钢 |
15 | 接线方式 | 红……E+(输入正) 黑……E-(输入负) 绿……S+(输出正) 白……S-(输出负) |

图片与实物略有差异,以实物为准 / 济南泰钦保留随时更改、撤消产品型号、规格的权利,恕不另行通知