风韵论坛_杭州各区桑拿419论坛_老九品茶楼凤楼论坛官网


TQ-G8悬臂梁式称重传感器

编号:10243
查看:
发布:2020-07-30

TQ-G8悬臂梁式称重传感器采用不锈钢材质,安装高度低,长期稳定性好,结构紧凑,防爆性能高。 TQ-G8悬臂梁式称重传感器适用于自动化测力、试验机等力量测量。 


拨打电话
Call
在线咨询
Service


产品特点:TQ-G8悬臂梁式称重传感器采用不锈钢材质,安装高度低,长期稳定性好,结构紧凑,防爆性能高。

产品用途:TQ-G8悬臂梁式称重传感器适用于自动化测力、试验机等力量测量。

量程:50N(5kg)100N(10kg)200N(20kg)500N(50kg)1000N(100kg)2000N(200kg)

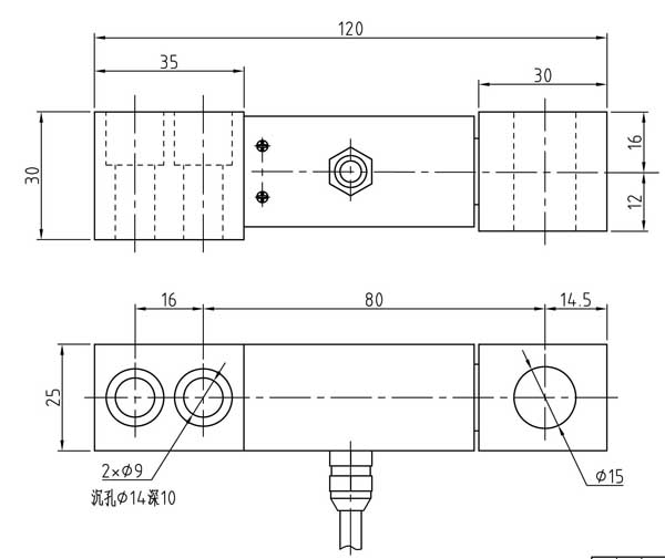
技术参数及外形尺寸:

 

序号

产品技术参数

1

额定载荷

5-200kg

2

综合精度

0.05%F.S

3

灵敏度

2.0mV/V

4

零点输出

0.1%F.S

5

输入阻抗

380±20Ω

6

输出阻抗

351±3Ω

7

绝缘阻抗

5000MΩ

8

补偿温度范围

-10~40

9

适用温度范围

-30~70

10

安全过载

150F.S

11

极限载荷

300%F.S

12

材质

合金钢

13

激励电压

10V(DC)

14

密封等级

IP67

15

电缆

3m

16

接线方式

红……E+(输入正)

黑……E-(输入负)

绿……S+(输出正)

白……S-(输出负)

图片与实物略有差异,以实物为准 / 济南泰钦保留随时更改、撤消产品型号、规格的权利,恕不另行通知 





主站蜘蛛池模板: 平和县| 文昌市| 涟源市| 连州市| 江安县| 新郑市| 呼伦贝尔市| 枣强县| 上犹县| 上栗县| 阳西县| 五寨县| 封丘县| 红原县| 深圳市| 巴林右旗| 江永县| 昂仁县| 霍邱县| 商都县| 济阳县| 徐水县| 府谷县| 永仁县| 玉门市| 隆子县| 南江县| 岳普湖县| 大兴区| 普宁市| 色达县| 罗田县| 江津市| 克拉玛依市| 浙江省| 阜宁县| 绥芬河市| 库尔勒市| 澜沧| 云梦县| 贵阳市|