TQ-N4B/C静态扭矩传感器
编号:10154
查看:
发布:2020-07-30
电阻应变式原理,精度高,性能稳定可靠,测量范围广;静态扭矩测量,两端均为键连接,安装使用方便。适用于静态、非连续旋转的扭矩力值的测量与控制。
编号:10154
查看:
发布:2020-07-30
电阻应变式原理,精度高,性能稳定可靠,测量范围广;静态扭矩测量,两端均为键连接,安装使用方便。适用于静态、非连续旋转的扭矩力值的测量与控制。
TQ-N4B/C扭矩传感器
产品特点: 电阻应变式原理,精度高,性能稳定可靠,测量范围广;静态扭矩测量,两端均为键连接,安装使用方便。
产品用途:适用于静态、非连续旋转的扭矩力值的测量与控制。
量程:TQ-N4B:200Nm、300 Nm、500 Nm、1000Nm、2000Nm
TQ-N4C: 2000Nm、3000 Nm、5000 Nm
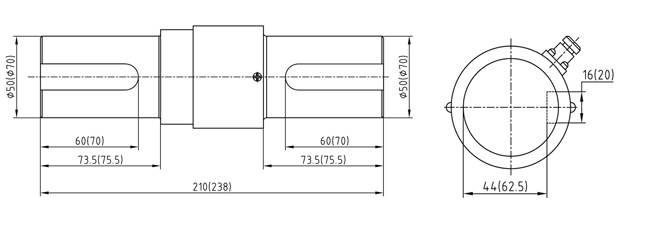
技术参数及外形尺寸:
序号 | 产品技术参数 | |
1 | 额定载荷 | 200Nm-3kNm |
2 | 综合精度 | 0.1/0.3%F.S |
3 | 灵敏度 | 1.0-2.0mV/V |
4 | 蠕变/30分钟 | ±0.1;0.3%F.S/30min |
5 | 零点输出 | ±1%F.S |
6 | 零点温度影响 | ±0.1/0.3%F.S/10℃ |
7 | 输出温度影响 | ±0.1/0.3%F.S/10℃ |
8 | 输入阻抗 | 700±10Ω/350±10Ω |
9 | 输出阻抗 | 700±5Ω/350±3Ω |
10 | 绝缘阻抗 | >2000MΩ |
11 | 工作温度 | -10~65℃ |
12 | 安全过载 | 120%F.S |
13 | 激励电压 | 10VDC |
14 | 材质 | 合金钢 |
15 | 接线方式 | 红……E+(输入正) 黑……E-(输入负) 绿……S+(输出正) 白……S-(输出负) |

图片与实物略有差异,以实物为准 / 济南泰钦保留随时更改、撤消产品型号、规格的权利,恕不另行通知