TQ-1D小轮辐式测力传感器
编号:10108
查看:
发布:2025-05-09
TQ-1D小轮辐式测力传感器适用于皮带秤,料斗秤,拉力试验机等设备的力值测量。
编号:10108
查看:
发布:2025-05-09
TQ-1D小轮辐式测力传感器适用于皮带秤,料斗秤,拉力试验机等设备的力值测量。
产品特点:TQ-1D小轮辐式测力传感器外形小巧,精度高,抗偏载能力强。
产品用途:TQ-1D小轮辐式测力传感器适用于皮带秤,料斗秤,拉力试验机等设备的力值测量。
量程:1 kN(100kg)、2 kN(200kg)、5 kN(500kg)、10 kN(1t)、20 kN(2t)
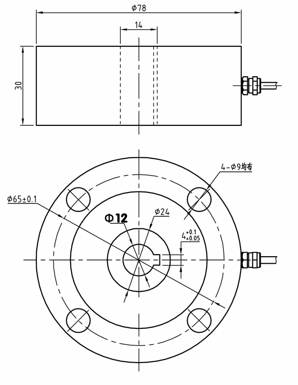
技术参数及外形尺寸:
序号 | 产品技术参数 | |
1 | 额定载荷 | 100kg-2t |
2 | 综合精度 | ≤0.1%F.S |
3 | 灵敏度 | 2.0mV/V±0.25% |
4 | 输入阻抗 | 387±20Ω |
5 | 输出阻抗 | 350±5Ω |
6 | 绝缘阻抗 | ≥5000MΩ |
7 | 工作温度范围 | -10~70℃ |
8 | 安全过载 | 150%F.S |
9 | 材质 | 合金钢 |
10 | 电缆 | 5m |
11 | 接线方式 | 红……E+(电源正) 黑……E-(电源负) 绿……S+(信号正) 白……S-(信号负) |

图片与实物略有差异,以实物为准 / 济南泰钦保留随时更改、撤消产品型号、规格的权利,恕不另行通知