产品特点:TQ-1B十字槽轮辐式测力传感器 具有高底低,钢性好,精度高,抗偏裁能力强等特点。
产品用途:TQ-1B十字槽轮辐式测力传感器适用于皮带秤、料斗秤、仓储秤、料罐、材料力学试验机、劳保安全检测设备。
量程:TQ-1B : 5kN(500kg)、10kN(1t)、20 kN(2t)、30 kN(3t)、50 kN(5t)、100 kN(10t)、200 kN(20t)、300 kN(30t)
TQ-1BT: 50 kN(5t)、100 kN(10t)、200 kN(20t)
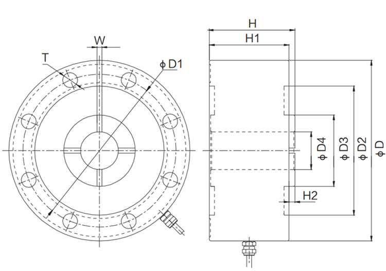
技术参数及外形尺寸:
序号 产品技术参数 1 额定载荷 5kN-300kN 2 综合精度 ≤0.05%F.S 3 灵敏度 2.0m±0.01V/V 4 线性 ≤0.03%F.S 5 滞后 ≤0.05%F.S 6 蠕变 ≤0.05%F.S/30min 7 重复性 ≤0.02%F.S 8 零点输出 ±1%F.S 9 输入阻抗 387±20Ω 10 输出阻抗 350±5Ω 11 绝缘阻抗 ≥5000MΩ 12 输出温度影响 <0.05%F.S/10℃ 13 零点温度影响 <0.05%F.S/10℃ 14 推荐激励电压 10V(DC) 15 适用温度范围 -20~70℃ 16 安全过载 150%F.S 17 材质 合金钢 18 接线方式 红……E+(电源正) 黑……E-(电源负) 绿……S+(信号正) 白……S-(信号负)

型号 | 量程(kN) | 量程(t) | D | D1 | D2 | D3 | D4 | H | H1 | H2 | W | T |
TQ-1B | 5-100 | 0.5-10 | 118 | 100 | 82 | 36 | 24 | 50 | 43 | 7 | 4×5.1 | 8×Φ9 |
200 | 20 | 160 | 135 | -- | 62 | 40 | 53 | 45.5 | 7.5 | 4×5.1 | 10×Φ14 | |
300 | 30 | 172 | 147 | -- | 65 | 45 | 74.5 | 67 | 7.5 | 4×5.1 | 12×Φ14 | |
TQ-1BT | 50-200 | 5-20 | 130 | 105 | 84 | 48 | 32 | 55 | 48 | 7 | 4×5 | 8×Φ14 |
图片与实物略有差异,以实物为准 / 济南泰钦保留随时更改、撤消产品型号、规格的权利,恕不另行通知