风韵论坛_杭州各区桑拿419论坛_老九品茶楼凤楼论坛官网


CH-LF1轮辐式测力传感器

编号:10395
查看:
发布:2022-05-20

产品名称:CH-LF1轮辐式测力传感器产品特点:CH-LF1轮辐式测力传感器采用优质不锈钢材质,具有高精度,高稳定性,低外形,安装简便、快速等特点。适用于试验机,可做拉压双向使用。量程:500kg,1t,2t,3t,5t,1 


拨打电话
Call
在线咨询
Service


产品名称:CH-LF1轮辐式测力传感器

产品特点:CH-LF1轮辐式测力传感器采用优质不锈钢材质,具有高精度,高稳定性,低外形,安装简便、快速等特点。适用于试验机,可做拉压双向使用。


量程:500kg,1t,2t,3t,5t,10t,20t,30t


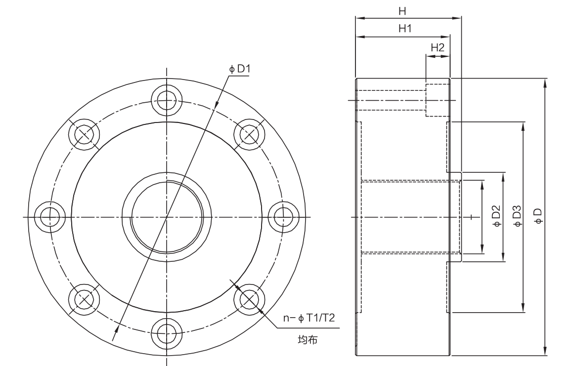
外形尺寸:

量程(kN)


D

D1

D2

75

H

H1

T

T1

T2

n

H2

5-50

mm

105

89

32

75

37

34

M16x1.5

7.5

10.5

8

7.2

100-250

mm

120.6

101.8

39

83

48

41

M32x1.5

8.5

14

8

10.5

300

mm

141

116.8

50.4

97

57

50.8

M40x1.5

11

18

8

11

技术参数:

技术参数




额定输出

3.0mV/V±0.003

输入阻抗

385±10Ω

非线性

±0.05%F.S

输出阻抗

351±3Ω

滞后性

<±0.05%F.S

绝缘电阻

≥5000MΩ

重复性

<±0.05%F.S

允许激励电压

5~15V/DC

蠕变

<±0.05%F.S/30min

补偿温度范围

-10℃~+40℃

零点温度影响

<±0.03%/10℃

工作温度范围

-30℃~+70℃

输出温度影响

<±0.03%/10℃

安全过载

120%F.S

零点平衡

<±1%F.S

极限过载

150%F.S

接线方式

激励:+红 -黑

信号:+绿 -白     屏蔽:黄粗



主站蜘蛛池模板: 蛟河市| 阿拉善盟| 平乐县| 郓城县| 灵丘县| 黄龙县| 大悟县| 高淳县| 遂宁市| 焉耆| 丰顺县| 枝江市| 金阳县| 津市市| 宣化县| 安仁县| 开封县| 安阳市| 紫金县| 吉木乃县| 东辽县| 河西区| 瑞丽市| 桐柏县| 共和县| 高青县| 博野县| 汉中市| 晋州市| 昌图县| 洪雅县| 武山县| 涟源市| 九江县| 互助| 克东县| 曲沃县| 中宁县| 盐城市| 盐源县| 香河县|